Threaded Leveler Bar, 1/4-20, VIB320 Series Isolators

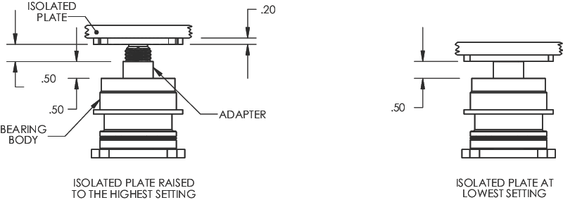
The B320-ACC-023 is a 1/4-20 x 1'' threaded leveler bar that can be mounted on top of the VIB320 Series isolator, so that the isolator can be attached to another plate or platform. Newport also offers other thread types for the leveler bar, or studs to attach to the top of VIB320 isolators. Each option provides +/- 0.20" (5 mm) vertical adjustment.
Resources & Downloads
Drawings And Cad
B320-ACC-02X.PDF(24.4 kB, PDF)

