High-power, 3-Phase, Sinusoidal DC Brushless Motor Driver

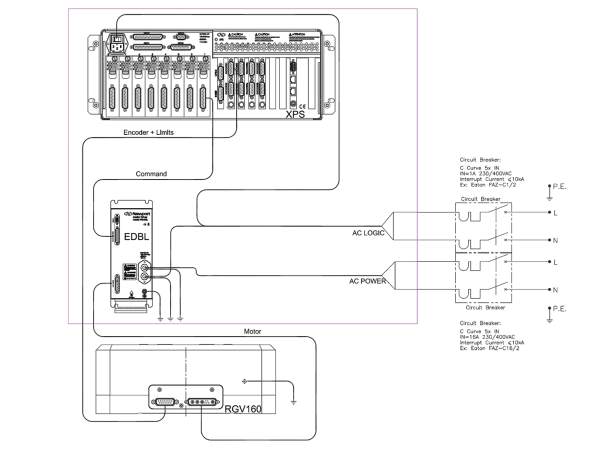
Designed for DC brushless motors, the XPS-EDBL is a 3-phase sinusoidal motor driver (amplifier) which features 25 A peak current and +96 VDC voltage, up to 1,000 watts of permanent power when optional fans are mounted. The high power, enables the XPS-EDBL to fully utilize the motor further maximizing the stage performance. The XPS-EDBL high-power driver is also well suited for use in an Industrial Environment. The driver is fully protected with a 150 W power resistor to dissipate regeneration energy (back EMF) and two optional fans limit the temperature increase.
Included are the following components:
- 1×XPS-EDBL driver
- 1×XPS-DRV00P pass-through driver card
- 1×1 m Command cable - 25-pin male/female - DB25
Resources & Downloads
3D Product Models
2D Product Drawings
Mini Laser Machining Brochure 2016(1.4 MB, PDF) XPS-EDBL.pdf(1.2 MB, PDF) XPS Driver Cards Datasheet(2.5 MB, PDF) XPS-EDBL - User's Manual.pdf(3.4 MB, PDF) Laser Machining Brochure 2018(3.4 MB, PDF)





