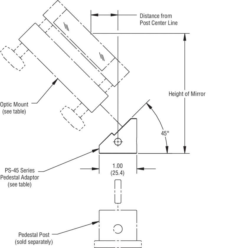
These adapters enable a mirror mount to be post-pointed at a fixed 45° pitch angle. The stainless steel models are designed to hold stainless steel Suprema® mirror mounts, and the black anodized aluminum models are designed to hold aluminum ULTIMA® mounts.
- Allow mirrors mounts to be mounted at 45° angles
- Compatible with Suprema or ULTIMA mounts
- Ideal for constructing a periscope See All Features
| Compare | Description | Drawings, CAD & Specs | Avail. | Price | ||
|---|---|---|---|---|---|---|
![]() | M-PS-45-SUP 45-Degree Mirror Mount AdaptersPedestal Adaptor, 45-degree, Counterbored, Threaded Suprema<sup>®</sup> Mount, M4 | |||||
![]() | M-PS-45-SUP-C 45-Degree Mirror Mount AdaptersPedestal Adaptor, 45 Degree, Threaded, Suprema<sup>®</sup> Clearance Mount, M4 | |||||
![]() | M-PS-45-ULT 45-Degree Mirror Mount AdaptersPedestal Adaptor, 45 Degree, Threaded, ULTIMA<sup>®</sup> Mounts, 8-32 | |||||
![]() | PS-45-SUP 45-Degree Mirror Mount AdaptersPedestal Adaptor, 45-degree, Counterbored, Threaded Suprema<sup>®</sup> Mount, 8-32 | |||||
![]() | PS-45-SUP-C 45-Degree Mirror Mount AdaptersPedestal Adaptor, 45 Degree, Threaded, Suprema<sup>®</sup> Clearance Mount, 8-32 | |||||
![]() | PS-45-ULT 45-Degree Mirror Mount AdaptersPedestal Adaptor, 45 Degree, Threaded, ULTIMA<sup>®</sup> Mounts, 8-32 |
Features
Angle Adapters in Multiple Versions
Pedestal Post Adaptors enable the mounting of optical components at a fixed 45-degree angle. There are six different combinations of features available for these adapters, including the metric versions of each. The PS-45-SUP and PS-45-SUP-C models are stainless steel, designed to hold any of the 1-inch Suprema mounts with a centered 8-32 (M4) threaded mounting hole (i.e. SN100-F) or a clearance hole, respectively. Model PS-45-ULT is aluminum with a black anodized finish, designed to hold any of the 1-inch ULTIMA Clear Quadrant mounts. All of these Pedestal Post Adaptors position the optic 2 in. (50.8 mm) above center and feature a cross-drilled through hole for leveraged tightening to the pedestal posts. These adapters are also compatible with a variety of other 8-32 mounted components.
| Model | Hole at The Bottom | Hole for Mirror Mounts | Compatible Mirror Mounts |
| (M-) PS-45-ULT | 8-32 (M4) Thd | 8-32 (M4) Thd | ULTIMA Mounts |
| (M-) PS-45-SUP | 8-32 (M4) Thd | 8-32 (M4) Thd | Suprema Mounts w/ Clearance Mounting Hole |
| (M-) PS-45-SUP-C | 8-32 (M4) Thd | 8-32 (M4) C'bored | Suprema Mounts w/ Threaded Mounting Hole |












