Ideal for FM spectroscopy, absorption spectroscopy, or ellipsometry, these 650 and 800 MHz balanced photoreceivers can make all the difference when you’re trying to see a small signal. They can eliminate the need for lock-in amplifiers, enabling you to cancel out laser intensity noise in any experimental setup that produces either a reference signal or balanced optical signals.
- Reduces common-mode noise by 25 dB
- Large 650-MHz or 800-MHz bandwidth
- Three convenient photocurrent-monitor outputs See All Features
| Compare | Description | Drawings, CAD & Specs | Avail. | Price | ||
|---|---|---|---|---|---|---|
![]() | 1607-AC-FC 650 and 800 MHz Balanced Optical ReceiversBalanced Fiber-Optic Receiver, Silicon, 320-1000 nm, 650 MHz, FC Connector | |||||
![]() | 1607-AC-FS 650 and 800 MHz Balanced Optical ReceiversBalanced Optical Receiver, Silicon, 320-1000 nm, 650 MHz, Free Space | |||||
![]() | 1617-AC-FC 650 and 800 MHz Balanced Optical ReceiversBalanced Fiber-Optic Receiver, InGaAs, 900-1700 nm, 800 MHz, FC Connector | |||||
![]() | 1617-AC-FS 650 and 800 MHz Balanced Optical ReceiversBalanced Optical Receiver, InGaAs, 900-1700 nm, 800 MHz, Free Space |
Specifications
[calculators:text.product.notes]
The -FS models feature a free space optical input but otherwise have the same specifications as their corresponding -FC fiber-optic receiver model.
Features
Reduces Common-Mode Noise by 25 dB
Large Bandwidth
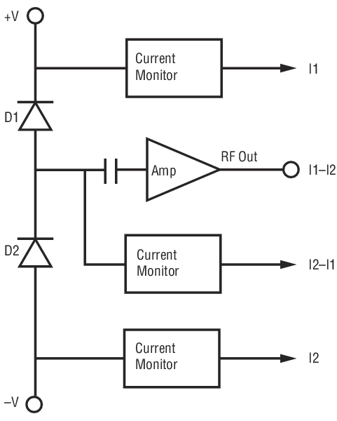
Convenient Photocurrent Monitor Outputs
In addition to the RF output, these balanced photoreceivers have three low-frequency monitor outputs. These monitor outputs can be used to help align light onto the photodiodes, perform low frequency diagnostics, and make manually equalizing the power between the signal and reference beams easier. The monitor outputs have SMB connectors, and an SMB-to-BNC cable is provided with the photoreceiver. All three monitor outputs have a transimpedance gain of 10 V/mA. The bandwidth of the I2 - I1 output is DC to 15 kHz, and the bandwidth of the I1 and I2 outputs is DC to 100 kHz.
Ideal for Balanced Photodetection
Newport's balanced optical receivers are ideal for optical detection applications that require sensitive measurements and increased signal-to-noise. Balanced photodetection is a method that can very effectively cancel common mode noise and detect small signal fluctuations on a large DC signal. Detection methods in the time domain (such as femtosecond ultrasonics and frequency modulation spectroscopy) and frequency domain (like absorption spectroscopy), and coherent heterodyne detection (such as optical coherence tomography) can be substantially improved by using Newport balanced photoreceivers and can allow detection of signals not otherwise possible with other means. For more information, please see our application note A Survey of Methods Using Balanced Photodetection.











